黃銅法蘭過濾器(qi)

産品型号:LV41-16T

公稱壓(ya)力:1.6MPa

工作介質:水

工(gong)作溫度:-20℃≤t≤120℃  



産品詳情(qing)

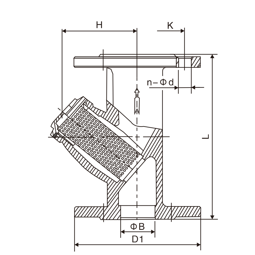
黃銅法蘭過濾(lü)器(圖1)


主要外形尺(chi)寸

DN(mm)

L

H

K

D1

80

3

305

96

160

200

8-18

314

180

220

8-18

125

5

398

235

210

245

150

6

470

250

280

8-22

8

543

295

338

11-30



産品推薦